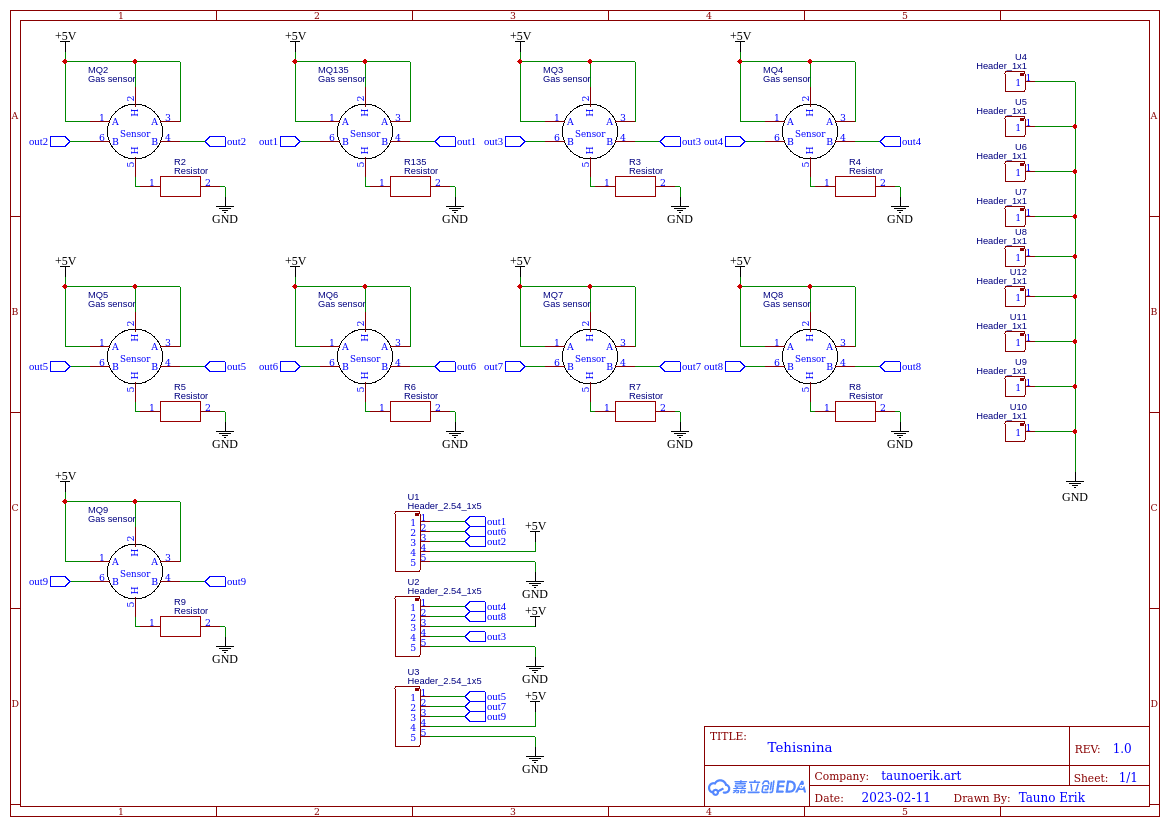
This is my new nine-cornered MCB. I plan to add nine gas sensors onto this board. It would be my artificial nose experiment.
The flowers are hand drawn and vectorized.
It is made by PCBWay. It’s the first time when I ordered matte black coloured boards. And I really like that it makes it feel deeper and darker than the shiny one would be.









That’s awesome.
Thank You!